DMF-Z-20 パルスバルブ
  • DMF-Z-20 パルスバルブ DMF-Z-20 パルスバルブ
  • DMF-Z-20 パルスバルブ DMF-Z-20 パルスバルブ
  • DMF-Z-20 パルスバルブ DMF-Z-20 パルスバルブ
  • DMF-Z-20 パルスバルブ DMF-Z-20 パルスバルブ
  • DMF-Z-20 パルスバルブ DMF-Z-20 パルスバルブ
  • DMF-Z-20 パルスバルブ DMF-Z-20 パルスバルブ

DMF-Z-20 パルスバルブ

DMF-Z-20 直角電磁パルス バルブ 電磁パルス バルブ (ダイヤフラム バルブとも呼ばれる) は、パルス ジェット バグハウス集塵機のパルス ジェット クリーニング システムの圧縮空気「スイッチ」として機能します。パルスジェット制御装置からの信号によりフィルターバッグの列(または区画)ごとにパルスジェット洗浄を順次実行し、集塵機の抵抗値を設定範囲内に維持して処理能力と集塵効率を確保します。

お問い合わせを送信

製品説明

DMF-Z-20 直角電磁パルス バルブ 電磁パルス バルブ (ダイヤフラム バルブとも呼ばれる) は、パルス ジェット バグハウス集塵機のパルス ジェット クリーニング システムの圧縮空気「スイッチ」として機能します。パルスジェット制御装置からの信号によりフィルターバッグの列(または区画)ごとにパルスジェット洗浄を順次実行し、集塵機の抵抗値を設定範囲内に維持して処理能力と集塵効率を確保します。

概略図:

構造上の特徴:

DMF-Z-20はライトアングル電気パルスソレノイドバルブです。その構造上の特徴は次のとおりです。

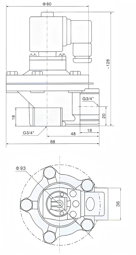
直角設計:入口と出口が90°の角度を形成し、スムーズな空気の流れを確保し、空気タンクと集塵機のブローパイプの間の設置に適しています。

主要コンポーネント: 電磁ヘッド、ダイヤフラム、バルブ本体、スプリングが含まれます。バルブ本体は合金アルミニウム製で、ダイアフラムは通常ニトリルゴム繊維で強化された構造となっており、耐摩耗性と高いシール性能を備えています。

接続方法: 呼び径 20mm の G3/4 インチ接続ネジが特徴です。

ダイヤフラム作動: 空気圧差によって作動します。通電されると、ソレノイド ヘッドがリリーフ ポートを開いて後室の圧力を逃がし、前室のガスがダイアフラムを持ち上げてブローバックできるようにします。通電を切ると、バネがリセットしてオリフィスを閉じ、密閉状態に戻ります。

DMF-Z-20 全体の寸法:


技術仕様:

モデル
DMF-Z-20
直径(mm)
Φ20
直径 (インチ)
3/4”
メインダイヤフラム(mm)
80
アウターオリフィス接続部(mm)
Φ27
ブローパイプ内径(mm)
20
重量(kg)
0.65
Kv/Cv
17.55/20.48
使用圧力
0.3~0.8MPa
周囲温度
-5~55℃
相対湿度
<85%
作動媒体
きれいな空気
電圧
DC24V、AC110V、220V
電流
0.46A/0.23A/0.8A±10%
ダイヤフラムの寿命
100万サイクル以上

動作原理:

DMF-Z-20 ライトアングル電磁パルスバルブ 電磁パルスバルブはダイヤフラムにより前後の気室に分かれています。圧縮空気が供給されると、スロットルオリフィスを通って後室に入ります。この時点で、後部チャンバーの圧力によりダイヤフラムアセンブリがバルブ出口を密閉し、電磁パルスバルブが「閉」状態になります。

パルス ジェット制御機器からの電気信号により、バルブ アーマチュアが後退します。これにより、後室の排気ポートが開き、後室が急速に減圧されます。ダイヤフラム アセンブリが後方に移動し、圧縮空気がバルブ出口から噴射されます。バルブは「開」状態になります。

パルスジェットコントローラーからの電気信号が途絶えると、電磁パルスバルブのアーマチュアがリセットされます。後部チャンバーの排気ポートが閉じ、後部チャンバー内の圧力が上昇し、ダイヤフラム アセンブリがバルブ出口に対してしっかりと密閉されます。電磁パルスバルブは「閉」状態に戻ります。

応用分野:

DMF-Z-20 コアはパルス ジェット バグハウス集塵機洗浄システム用に設計されており、フィルター バッグ、フィルター カートリッジ、セラミック チューブ、その他の濾過エレメントと互換性があります。これは、ブローバック システムの圧縮空気「スイッチ」として機能します。その用途は、粉塵の多い産業環境に集中しています。

環境粉塵制御:各種バッグハウス/カートリッジ集塵機に対応したパルスジェット洗浄システム。

工業製造:建築資材(セメント・石灰)、冶金(鉄鋼・製錬)、鉱業、化学薬品、医薬品、飼料加工、木工、製紙など。

その他の用途:空気圧搬送システムにおける補助ブロー、およびパルスジェット洗浄が必要な機器/動作条件。

当社を選ぶ理由:

1. 信頼できる品質保証体制;

2. 最先端のコンピューター制御 CNC マシン;

3. 経験豊富な専門家によるオーダーメイドのソリューション。

4. 特定の用途に利用可能なカスタマイズと OEM;

5. スペアパーツと付属品の豊富な在庫。

6. よく発達した世界規模のマーケティングネットワーク。

7. 効率的なアフターサービス体制

ホットタグ: DMF-Z-20 パルスバルブ、パルスバルブ、DMF シリーズパルスバルブ、DMF-Z パルスバルブ
関連カテゴリー
お問い合わせを送信
下記フォームよりお気軽にお問い合わせください。 24時間以内に返信いたします。
X
当社は Cookie を使用して、より良いブラウジング体験を提供し、サイトのトラフィックを分析し、コンテンツをパーソナライズします。このサイトを使用すると、Cookie の使用に同意したことになります。 プライバシーポリシー